(  @はじめに   A基本仕様  B実装試行  )
●スピコン(2チャンネル受信機用)TBV式E1型 実装版の試行

A基本仕様
RC機器類の収納場所(形状)に伴う、スペース的な制約がありますので・・・ 少しでもスリム化を図って、小型サイズの基板にしたいので、ニュートラル設定のスイッチ やLED(抵抗含む)などを取り除いて、必要最小限の電子パーツ類で配置構成します。
・ ・ ・ ・ ・
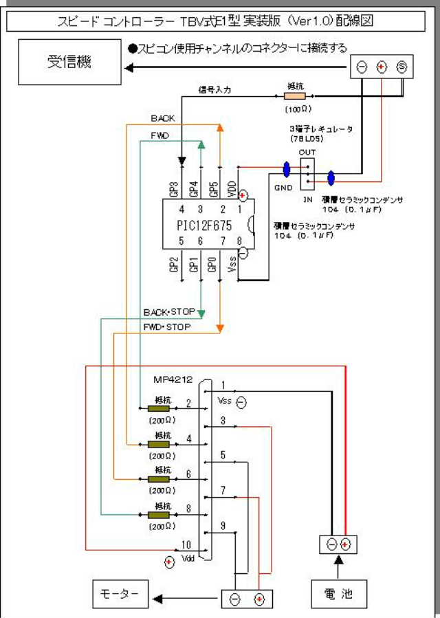
●配線図です。 スピコン基板には、ニュートラル設定のスイッチは装備しませんので、ニュートラル値はプ ログラム内の省略値を自動的に適用させますが、任意に設定が必要な時は、テストボード上 で任意設定を行ない、この任意設定値をスピコン起動時に自動的に適用させます。

●プログラムはTBV式E1型実装版です。 【E型】試行プログラムを流用し、電力個別使用対応のTBV式E1型実装版として 電池3本(3.6V)入力→最大出力(3V)仕様の基本版プログラムを作りました。 ■ニュートラル位置・・・【 ステイック:最下部 】【 トリム:最上部 】   ------------------------------------------------------------------------------   ・STBVE100( VER E1.00 ) TBV式E1型 実装版     ( 電力個別使用対応 電池3本(3.6V)入力→最大出力(3V)仕様 基本版 )   ------------------------------------------------------------------------------ ■モーターコントロールICへの電力可変供給の大きさに準じて、下記の出力になります。   電力可変供給(電池本数)  モーターへ供給出力(最大電圧) _______________________ _____________________________  ・電池1本(約1.2V) → 約1.0V  ・電池2本(約2.4V) → 約2.0V  ・電池3本(約3.6V) → 約3.0V  ・電池4本(約4.8V) → 約4.0V  ・電池5本(約6.0V) → 約4.6V  ・電池6本(約7.2V) → 約5.6V プログラムの設定調整は、電池3本供給(3.6V)で→最大電圧3V出力を基準にしました。
・ ・ ・ ・ ・
●スピコン基板です。

 → 基板を保護したいので、ケースに収納する事にしました。
・ ・ ・ ・ ・



(  @はじめに   A基本仕様  B実装試行  )